行业知识

​高压并联电容器知识分享

2022-10-20 08:56:35 爱游戏体育在线注册,爱游戏体育(中国)

高压并联电容器知识分享

  过压保护和失压保护是高压并联电容器必须配置的继电保护功能,但其电压取自哪里大家却并不一定注意,本文将对这一问题做简要分析,有些是一家之言,各位姑且听之、自做评判。

图片关键词

失压保护电压一定是取自母线电压互感器的,这个结论非常肯定。

失压保护主要是为了防止高压并联电容器失去电源后又很快再次接通电源的情形发生,此时放电设备还没来得及将电容器的剩余电压降低到规定值。这种带电合入电容器的情况会产生过电压、涌流等一系列后果,对设备造成损害。

失压保护的设置还考虑了另外一种情形,如果电源失去后再投入可能会因为部分负荷自动切除形成轻负荷甚至无负荷造成母线电压升高,从而对并联电容器产生危害。由于失压保护关注的是电源是否失去,因此失压保护的电压取自母线的电压互感器是合理的。

图片关键词

过压保护的电压输入通常认为也是取自母线电压,这是不准确的。

过电压保护的配置,主要是因为过电压是高压并联电容器损坏的致命原因。GB/T 11024.1 《标称电压1kV以上交流电力系统用并联电容器 第1部分》中规定了高压并联电容器运行的电压限值,详见下表。

图片关键词

表中的电压值是指电容器单元运行电压,再直白点儿说就是电容器两端的电压。过压保护就是要保证电容器单元不承受过电压的威胁,在发生过电压的情况下要驱动断路器断开高压并联电容器与系统的连接。因为放电线圈按规范要求是并联在电容器两端的,放电线圈的电压就是电容器两端的电压,因此过电压保护所取的电压应该选择放电线圈的电压。

图片关键词

当然在各相关设备正常的情况下,母线电压和放电线圈电压是存在一定对应计算关系的,过电压保护电压取自母线电压互感器也能够正常工作。

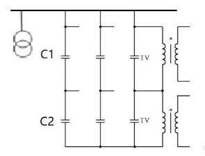
但在特殊情况下,则会存在问题。比如2串联段的高压并联电容器,考虑电容量存在偏差,C1偏差为5%,C2偏差为-5%,支路对外表现为电容量无偏差。

在母线电压为额定电压时,C2上承受的电压已经是1.05倍的额定电压。当母线电压上升为1.05倍的额定电压时,C2上承受的电压已经达到1.1025倍的额定电压了。

如果过电压保护采用母线电压互感器电压,此时电压值不构成过电压,而如果采用放电线圈电压则能够正确反映电容器的过电压状态。

因此,高压并联电容器过电压保护的电压应该取自放电线圈电压。


电力行业里,最好能够一二次设备的知识相互交融一下,明白了一次设备的结构和原理,才能够更准确地做好测量、控制、保护等二次相关专业工作。






首页
产品
新闻
联系